關於本會
法規公告
一般產證
進口食品預包裝審查
會員專區
聯絡我們
關於本會
法規公告
一般產證
進口食品預包裝審查
會員專區
聯絡我們
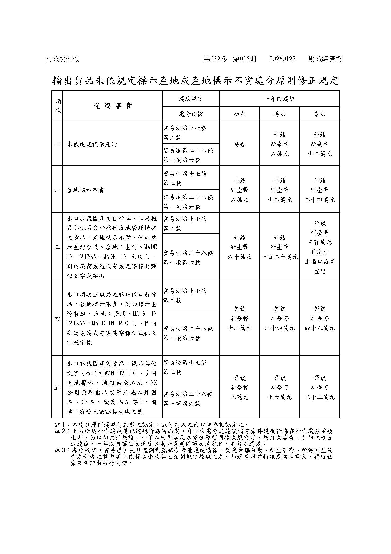
修正「輸出貨品未依規定標示產地或產地標示不實處分原則」,並自即日生效。
2026-01-26
連結
下載
回上頁